Wentylator kanałowy osiowy Ferono 250 mm 230V (1-fazowy) wodoszczelny
Wodoszczelny wentylator kanałowy osiowy FERONO dzięki możliwości montażu w pionie i w poziomie znajduje zastosowanie w wentylacji ogólnej obiektów przemysłowych (magazynach, warsztatach, halach produkcyjnych), handlowych (sklepach, hurtowniach), jak i w obiektach specjalistycznych i hodowlanych (np. szklarniach, kurnikach i chlewniach).
Ma również zastosowanie do wentylacji mniejszych pomieszczeń tj. biura czy garaże.
Klasa szczelności IP55.
Zalety wentylatora FKO250:
- Dzięki wyprofilowaniu aerodynamicznych łopatek wirnika, wentylator FERONO ma wysoką skuteczność przepływu powietrza przy jednocześnie minimalnym hałasie, nawet przy maksymalnej prędkości obrotowej,
- Silnik i śmigła wentylatora wykonane z metalu,
- Podwójne ułożyskowanie wydłuża żywotność wentylatora,
- Wytrzymałość elektryczna: 1500V AC/50-60Hz na 1 min upływ prądu < 5mA,
- Odporność izolacji: 10 MΩ przy 500V DC pomiędzy przewodem i ramą,
- Wysoka klasa izolacji przewodu miedzianego: F,
- Temperatura pracy: – 20°C ~ 80°C,
- Zakres wilgotności względnej pracy: 20% – 95%,
- Stopień ochrony: IP55.
Wykonanie i wygląd
Czarny kolor wentylatora i estetyczne wykonanie sprawiają, że może być on śmiało montowany w obiektach użyteczności publicznej. Wentylator kanałowy osiowy FERONO cechuje się mocną konstrukcją, wysoką wydajnością, niskim poziomem hałasu, łatwym montażem oraz stabilną pracą.
Silnik
Bezszczotkowy, nowoczesny silnik przystosowany do regulacji napięciowej. Posiada wbudowane termiczne zabezpieczenie, realizowane poprzez czujnik temperatury uzwojeń. Bardzo wysoka klasa izolacji uzwojeń silnika F oraz klasa szczelności IP55 gwarantują bezproblemową pracę.
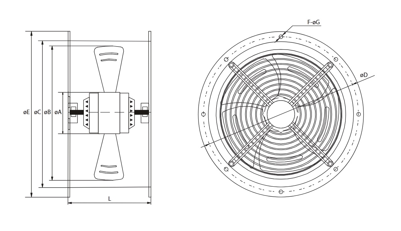
Wymiary wentylatora:
A = 92 mm
B = 250 mm
C = 265 mm
D = 286 mm
E = 310 mm
F = 8 mm
G = 6 mm
L = 162 mm
Schemat podłączenia:
Zakres wydajności:
Dane techniczne:
|
Model: |
FKO250 |
|---|---|
|
Zasilanie |
220-240V / 1 ph / 50 Hz |
|
Rodzaj wentylatora |
Kanałowy osiowy |
|
Średnica śmigła wentylatora |
250 mm |
|
Moc silnika |
160 W |
|
Prąd |
0,73 A |
|
Obroty |
2200 rpm |
|
Przepływ powietrza |
2100 m3/h |
|
Ciśnienie powietrza |
100 Pa |
|
Poziom hałasu |
69 dB |
|
Pojemność kondensatora |
4 μF/ 450V |
|
Waga netto |
4,1 kg |
| Marka | Ferono |
|---|---|
| Zasilanie | 220-240V/1ph/50Hz |
| Średnica śmigła wentylatora | 250 mm |
| Przepływ powietrza | 2100 m3/h |
| Klasa ochrony/szczelności | IP55 |
| Kolor | Czarny |
| Gwarancja producenta | 12 miesięcy |
Rodzaj i koszty wysyłek:
| Sposób dostawy | Koszt dostawy | Czas dostawy |
|---|---|---|
Kurier - przedpłata za zamówienie | 0,00 zł (zakup powyżej 1500 zł) 25,00 - 30,00 zł brutto - przesyłka kartonowa do 30 kg | 1-3 dni robocze |
| Kurier - pobranie | 25,00 zł - 30,00 zł brutto - Przesyłki kartonowe do 30 kg 55,00 zł brutto - Przesyłki kartonowe powyżej 30 kg 230,00 zł brutto - Przesyłki paletowe | 1-3 dni robocze |
| Odbiór osobisty | ul. Górczewska 246 | po wcześniejszym kontakcie telefonicznym lub e-mail, pon-pt: 9:00-17:00 |
Darmowa dostawa za pośrednictwem przesyłek kurierskich obowiązuje przy przedpłacie i od kwoty zakupów powyżej 1500 zł, wyłącznie na terenie Polski.
Dostawa
Kurierzy mają obowiązek dostarczyć przesyłkę do lokalu odbiorcy wyłącznie, gdy waga paczki nie przekracza 30 kg. W przypadku produktów o większej wadze bądź dużych gabarytach paczka może zostać dostarczona pod budynek znajdujący się w adresie dostawy.
Wysyłki realizujemy priorytetowo. Przy zamówieniach na produkty dostępne "od ręki" złożonych w dniu bieżącym do godziny 11:00, jeszcze tego samego dnia przekazujemy je do przewoźników.
Przewidywany czas dostawy jest zależny od przewoźnika i wynosi od 1 do 3 dni roboczych.
Wysyłki realizujemy poprzez firmy kurierskie:
- DPD
- Inpost
- DB Schenker
- Raben
- Hellmann
- Geis
- DHL
Dodatkowe informacje
Łączne koszty dostawy zostają określone w momencie składania zamówienia i zależą od ilości zamawianych produktów, ich wagi, oraz rodzaju płatności. Dla zamówień za pobraniem lub zamówień opłaconych elektronicznie przy pomocy systemu płatności Przelewy24, paczka zostaje wysyłana w ciągu 24 godzin w zależności od rodzaju produktu lub w ciągu 48 godzin od momentu otrzymania zamówienia. Zamówienia opłacane przelewem zostają wysyłane od momentu zaksięgowania wpłaty na nasze konto. Dla produktów dostępnych na zamówienie oraz przy długim oczekiwaniu na płatność czas realizacji ustalany jest indywidualnie w porozumieniu z klientem.
W wyjątkowych przypadkach może się zdarzyć, że zamówiony produkt nie jest w chwili obecnej dostępny. Poinformujemy Państwa o tym tak szybko, jak to będzie możliwe.
Informacje o producencie / importerze marki Ferono:
Nazwa: Thermosilesia sp. z o.o. sp. k.
Adres: ul. Szyb Walenty 16, 41-700 Ruda Śląska
NIP: 9542785456
Tel.: +48 32 285 57 11
E-mail: info@thermosilesia.pl
